网站首页 | 设为首页 | 加入收藏  
网站首页    公司简介    新闻中心    经营范围    新品展示    产品展示    信息咨询    电子地图    联系我们
 
  + 柜顶抽风机
  + DC塑料涡流离心风机
  + 涡流离心风机
  + 离心风机
  + 圆形管道离心风机
  + 方形管道离心风机
  + 墙上风机
  + 换气新风机
  + 屋顶吸力风机
  + 无外壳离心风机
  + 变频电机专用排风扇风机
  + G系列变频电机专用风机
  + 单法兰轴流风机
  + 双法兰轴流风机
  + 方框式轴流风机
  + 网罩式外转子轴流风机
  + 双边圆轴流风机
  + 永磁低速同步电动机
  + 室外抽风机
 
联系我们
电话:0512-66566499
   0512-66566496
传真:0512-66566497-3
地址:苏州吴中经济开发区旺山
      工业园溪水路4号
E-mail:jy@xinjiefei.com
E-mail:hu13814822211@126.com
QQ:524709514
 
 
DC塑料涡流离心风机

 ◎133FLZ-WS   ◎175FLZ-WS   ◎180FLZ-WS   ◎190FLZ-WS   ◎220FLZ-WS   ◎225FLZ-WS  
 ◎250FLZ-WS  


DC塑料涡流离心风机

250FLZ-WS
型号 Type

电压Voltage

VDC

电压范围

Voltagerange

输入电流Input Current

A

输入功率Input Power

W

转速Speed

r/min

风量Air Volume m3/min 静压Static Pressure pa

噪声Noise

dB(A)

重量Weight

kg

250FLZ-24-WS 24 16-28 4.5 100 2600 20 600 65 2.0
250FLZ-48-WS 48 36-57 2.6 100 2600 20 600 65 2.0

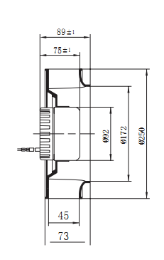
外形及安装尺寸 风量静压曲线

苏州新捷飞微电机制造有限公司生产外转子风机,卡通风机,离心风机,轴流风机,低速同步电机.0512-66566499 苏ICP备07016868
技术支持:苏州商赢科技